Šroubová frézování proužky, karbid wolframu bar, pásy pro frézování
Helical fræsning strimler, wolframcarbid bar, rampe til formaling
Spiraalvormige frezen stroken, wolfraamcarbide bar, strips voor frezen
Helical milling strips, Tungsten carbide bar, strips for milling
Barre de carbure de tungstène, hélicoïdal de bandes de fraisage, bandes pour la mouture
Spiralförmige Fräsen Streifen, Hartmetall-Bar, Streifen für Fräsen
Strisce di fresatura elicoidale, barra di carburo di tungsteno, strisce per fresatura
Spiralformet fresemaskin strimler, Wolframkarbid bar, striper fresing
Tiras de fresamento helicoidal, barra de carboneto de tungsténio, tiras para moagem
Elicoidale măcinarea benzi, carbură de Tungsten bara, benzi de rulare pentru măcinare
Спиральная фрезерная полоски, карбида вольфрама бар, полосы для фрезерования
Tiras de fresado helicoidal, barra de carburo de tungsteno, tiras para fresado
Spiralformad malning stålband, volframkarbid bar, remsor för malning
Helisel şeritler freze, Tungsten karbür bar, şeritler için taşlama makineleri
 
Barras de carburo de tungsteno

Helical tiras de fresado

Helical tiras de fresado Helical tiras de fresado Helical tiras de fresado

Helical tiras de fresado

Helical milling strips

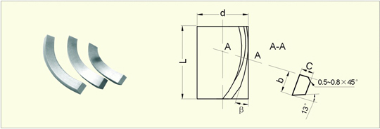
mm

Type
Helical angel
d
L
b
c
XL251632
25o
16
32
4.0
2.6
XL252038
20
38
XL252545
25
45
4.5
2.8
 
XL302845
30o
28
45
5.5
3.3
XL303053
30
53
XL303253
32
XL303653
36
 
XL304038
30o
40
38
6.5
3.5
XL304063
63
XL304563
45
XL305075
50
75
XL306363
63
63
XL306300
80

XL dimensión & tolerancia de franja de fresado helicoidal

(mm)
Length of axie
L Tol.
βo Tol.
b Tol.
c Tol.
L≤40
+2.5~+5.5
±1o
-0.10~+0.20
-0.10~+0.20
40
+3.0~+6.0
-0.15~+0.25
-0.15~+0.25
63
+3.5~+7.5
-0.15~+0.25
-0.15~+0.25

Related Links

Tungsten Carbide Rod
Material Safety Data Sheet of Tungsten Carbide
Material Safety Data Sheet of Tungsten Carbide (PDF)
Catalog of Tungsten Carbide Bar (PDF)