Bits minière de carbure de tungstène

Type de bits minière K23

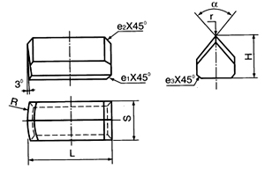
Type de bits minière K23 Type de bits minière K23 Type de bits minière K23
Tungsten carbide Mining bits type K23

mm

Type
Dimension
Note
L
H
S
R
α
γ
e1
e2
e3
K23-92001
11.0
6.5
7.8
19.1
80o
0.8
0.4
0.8
0.8
G92509
K23-85001
12.0
G85237
K23-85002
13.5
G85236
K23-85003
15.1
G85235
K23-85004
16.7
14.3
7.7
70o
G85233
K23-85005
18.3
/
G85234
K23-82001
28.5
22.0
13.0
31.0
110o
/
/
2.0
0.5
G82023
K23-84001
29.0
25.4
38.0
/
/
1.0
G84131
K23-83001
34.7
22.0
45.0
/
/
1.5
G83151
K23-84002
35.0
25.4
14.0
/
/
0.5
G84240
K23-72001
42.0
20.0
12.0
50.0
70o
0.2
1.5
1.5
G2076

Related Links

Tungsten Carbide Rod
Material Safety Data Sheet of Tungsten Carbide
Material Safety Data Sheet of Tungsten Carbide (PDF)
Catalog of Tungsten Carbide Mining Bits (PDF)

Language: | český | danske | Nederlands | English | française | Deutsch | italiano | norske | português | român | русский | español | Švédsky | Türk
Email : ebiz@ctia.com.cn  
Copyright©1997 - CTIA E-biz Center All Rights Reserved