Products
About Us
Contact Us
Position:
Home
>>
Tungsten karbür incelemesi bit
Tungsten karbür çubuklar
Tungsten karbür çubukları
Tungsten karbür Kaplamalar
Tungsten karbür ekler
Tungsten karbür bit sondaj
Tungsten karbür incelemesi bit
Madencilik bit türü K10
Madencilik bit türü K20
K21 incelemesi bit yazın
K22 incelemesi bit yazın
Madencilik bit türü K23
K30 incelemesi bit yazın
K0 incelemesi bit yazın
k2 incelemesi bit yazın
Madencilik bit türü K3
Kömür kesme bit
Tungsten topu
Tungsten karbür çizim die
Delme ve ölür etkileyen
Tungsten karbür ipuçları brazed
Tungsten karbür silindiri
Örsler ve baskı silindirleri
Özel seri
Tungsten karbür notları
Contact us
Email
:ebiz@ctia.com.cn
Related Links
Tungsten Copper
Tungsten Alloy
Welding Material
China Heatsinks
Tungsten karbür incelemesi bit
Madencilik bit türü K23
Welcome to preview
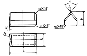
Tungsten carbide Mining bits type K23
mm
Type
Dimension
Note
L
H
S
R
α
γ
e1
e2
e3
K23-92001
11.0
6.5
7.8
19.1
80
o
0.8
0.4
0.8
0.8
G92509
K23-85001
12.0
G85237
K23-85002
13.5
G85236
K23-85003
15.1
G85235
K23-85004
16.7
14.3
7.7
70
o
G85233
K23-85005
18.3
/
G85234
K23-82001
28.5
22.0
13.0
31.0
110
o
/
/
2.0
0.5
G82023
K23-84001
29.0
25.4
38.0
/
/
1.0
G84131
K23-83001
34.7
22.0
45.0
/
/
1.5
G83151
K23-84002
35.0
25.4
14.0
/
/
0.5
G84240
K23-72001
42.0
20.0
12.0
50.0
70
o
0.2
1.5
1.5
G2076
Language: |
český
|
danske
|
Nederlands
|
English
|
française
|
Deutsch
|
italiano
|
norske
|
português
|
român
|
русский
|
español
|
Švédsky
|
Türk
Email : ebiz@ctia.com.cn
Copyright©1997 - CTIA E-biz Center All Rights Reserved