Bits de corte de carvão

Carvão corte bits tipo M20

Carvão corte bits tipo M20 Carvão corte bits tipo M20 Carvão corte bits tipo M20
Coal cutting bits type M20

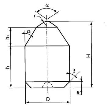
mm

Type
Dimension
Note
D
H
h
h1
r
α
α1
β
e
M20-97001
14.8
20.5
12.5
4.0
2.0
90o
35o
45o
1.5
G97580
M2018
18.0
30.0
20.0
6.0
1.5
80o
30o
1.0
X7404
M20-98002
35.0
28.0
4.0
2.5
110o
45o
62o30'
3.5
G98140

Related Links

Tungsten Carbide Rod
Material Safety Data Sheet of Tungsten Carbide
Material Safety Data Sheet of Tungsten Carbide (PDF)
Catalog of Tungsten Carbide Coal Cutting Bits (PDF)

Language: | český | danske | Nederlands | English | française | Deutsch | italiano | norske | português | român | русский | español | Švédsky | Türk
Email : ebiz@ctia.com.cn  
Copyright©1997 - CTIA E-biz Center All Rights Reserved