Dokončené konec mill prázdné, tyče karbidu wolframu, karbidu wolframu rod
Færdige slutningen mill tomme, wolframcarbid stænger, wolframcarbid rod
Afgewerkte einde molen spaties, wolfraamcarbide staven, wolfraamcarbide rod
Finished end mill blanks, Tungsten carbide rods, Tungsten carbide rod
Fin fini usine flans, tiges de carbure de tungstène, tige de carbure de tungstène
Fertige Ende Mühle Platinen, Hartmetall-Stäbe, Hartmetall-Stab
Fine finito mulino spazi vuoti, canne di carburo di tungsteno, carburo di tungsteno rod
Ferdig slutten møllen tomme, Wolframkarbid stenger, Wolframkarbid stang
Acabado final moinho espaços em branco, barras de carboneto de tungstênio, carboneto de tungsténio haste
Sfârşitul terminat moara necompletate, carbură de Tungsten tije, carbură de Tungsten tija
Готовые конец мельница заготовок, стержни из карбида вольфрама, стержень из карбида вольфрама
Acabado final molino blanco, varillas de carburo de tungsteno, varilla de carburo de tungsteno
Färdiga slutet mill tomma, stång av volframkarbid, volframkarbid rod
Tamamlanan son değirmen boşluklar, Tungsten karbür çubuklar, Tungsten karbür çubuk
 
Varillas de carburo de tungsteno

Acabado final molino espacios en blanco

Acabado final molino espacios en blanco Acabado final molino espacios en blanco Acabado final molino espacios en blanco

Introducen espacios de molino de acabado final

Adecuado para el mecanizado de acero común, hierro, acero inoxidable, acero resistente al calor, níquel base de aleaciones y aleaciones de titanio, etc.. Se recomienda para fabricar herramientas convencionales, tales como ejercicios de giro, final molinos, grifos de tornillo, simulacros de arma, etc..

Acabado final molino espacios en blanco

Finished end mill blanks

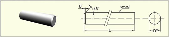
mm

Dia. Length Chamfer Code
D inch D mm L inch L mm B inch B mm code
1/8 3.175 1 1/2 38.1 0.015 0.381 S
2 50.8
3 76.2 T
3/16 4.763 1 1/2 38.1 0.015 0.381 S
2 50.8
2 1/2 63.5 U
3 76.2 T
1/4 6.350 1 1/2 38.1 0.025 0.635 S
2 50.8
2 1/2 63.5 U
3 76.2 T
3 1/4 82.6
3 1/2 88.9
4 101.6
5/16 7.938 2 50.8 0.025 0.635 S
2 1/2 63.5 U
3 76.2 T
3 1/2 88.9
4 101.6
3/8 9.525 2 50.8 0.030 0.762 S
2 1/2 63.5 U
3 76.2 T
3 1/4 82.6
3 1/2 88.0
4 101.6
6 152.4
7/16 11.113 2 1/2 63.5 0.030 0.762 U
2 3/4 69.9
4 101.6 T
4 1/2 114.3
5 127.0
1/2 12.700 2 1/2 63.5 0.030 0.762 U
3 76.2 T
3 1/8 79.4
4 101.6
4 1/2 114.3
5 127
6 152.4
9/16 14.288 3 76.2 0.030 0.762 T
3 1/2 88.9
5/8 15.875 3 76.2 0.030 0.762 T
3 1/2 88.9
3 3/4 95.3
4 1/8 104.8
5 127
8 203.2
3/4 19.050 3 76.2 0.040 1.016 T
3 1/2 88.9
4 101.6
4 1/2 114.3
5 127
6 152.4
6 1/2 165.1
7/8 22.225 4 101.6 0.040 1.016 T
1 25.400 3 76.2 0.040 1.016 T
3 1/2 88.9
4 101.6
5 127
6 152.4
7 177.8
1 1/4 31.750 4 1/2 114.3 0.040 1.016 T
6 152.4
7 1/2 190.5

Nota: las aplicaciones de varilla de carburo de tungsteno incluyen brocas, end mills y Escariadores. Longitud y diámetros personalizados también están disponibles en estos grados, así como los tama?os de métricos.


Related Links

Material Safety Data Sheet of Tungsten Carbide
Material Safety Data Sheet of Tungsten Carbide (PDF)
Catalog of Tungsten Carbide Rods (PDF)

Language: | český | danske | Nederlands | English | française | Deutsch | italiano | norske | português | român | русский | español | Švédsky | Türk
Email : ebiz@ctia.com.cn  
Copyright©1997 - CTIA E-biz Center All Rights Reserved