Products
About Us
Contact Us
Position:
Home
>>
Tungsten carbide bore bits
Wolframcarbid stænger
Wolframcarbid barer
Wolframcarbid plader
Wolframcarbid indsætter
Tungsten carbide bore bits
Drilling bits Skriv CP
Drilling bits Skriv CB
Drilling bits Skriv CS
Drilling bits Skriv CE
Drilling bits Skriv CZ
Drilling bits Skriv CQ
Wolframcarbid minedrift bits
Kul opskæring bits
Wolfram ball
Wolframcarbid tegning die
Stansning og indvirker Dies
Wolframcarbid brazed tip
Wolframcarbid rullens
Ambolte og pres cylindre
Brugerdefineret gjort serien
Wolframcarbid kvaliteter
Contact us
Email
:ebiz@ctia.com.cn
Related Links
Tungsten Copper
Tungsten Alloy
Welding Material
China Heatsinks
Tungsten carbide bore bits
Drilling bits Skriv CP
Welcome to preview
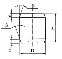
mm
Type
Dimension
Note
D
H
α
β
e1
e
CP0507
5.0
7.0
45
o
18
o
1.0
0.5
P-1
CO0707
7.0
P-3
CP0708
8.0
1.0
P-2
CP0806
8.0
6.0
1.2
0.5
P-6
CP0807
7.0
CP-9803
CP0815
15.0
/
15
o
1.0
/
G90346
CP0907
9.0
7.0
/
18
o
1.2
/
P-4
CP-97001
9.5
8.5
45
o
1.5
0.5
G97102
CP1008
10.0
8.0
1.2
1.0
P-5
CP-77004
9.5
45
o
0.5
0.5
G7163
CP-98008
10.0
1.5
2.0
CP-9805
CP1109
11.2
9.2
18
o
1.2
1.0
G85277
CP-92001
12.0
10.0
1.5
1.5
G92297
CP212
12.3
12.3
15
o
1.5
K87-004-3
CP-98009
15.0
10.0
45
o
1.1
1.1
CP-9804
Language: |
český
|
danske
|
Nederlands
|
English
|
française
|
Deutsch
|
italiano
|
norske
|
português
|
român
|
русский
|
español
|
Švédsky
|
Türk
Email : ebiz@ctia.com.cn
Copyright©1997 - CTIA E-biz Center All Rights Reserved