Wolframcarbid Bohren Bit

Bohren Bits Typ CP

Bohren Bits Typ CP Bohren Bits Typ CP Bohren Bits Typ CP

Wolframcarbid Bohren bits Typ CP(Flat Button)

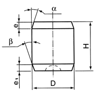
mm

Type
Dimension
Note
D
H
α
β
e1
e
CP0507
5.0
7.0
45o
18o
1.0
0.5
P-1
CO0707
7.0
P-3
CP0708
8.0
1.0
P-2
CP0806
8.0
6.0
1.2
0.5
P-6
CP0807
7.0
CP-9803
CP0815
15.0
/
15o
1.0
/
G90346
CP0907
9.0
7.0
/
18o
1.2
/
P-4
CP-97001
9.5
8.5
45o
1.5
0.5
G97102
CP1008
10.0
8.0
1.2
1.0
P-5
CP-77004
9.5
45o
0.5
0.5
G7163
CP-98008
10.0
1.5
2.0
CP-9805
CP1109
11.2
9.2
18o
1.2
1.0
G85277
CP-92001
12.0
10.0
1.5
1.5
G92297
CP212
12.3
12.3
15o
1.5
K87-004-3
CP-98009
15.0
10.0
45o
1.1
1.1
CP-9804

Related Links

Tungsten Carbide Rod
Material Safety Data Sheet of Tungsten Carbide
Material Safety Data Sheet of Tungsten Carbide (PDF)
Catalog of Tungsten Carbide Drilling Bits (PDF)

Language: | český | danske | Nederlands | English | française | Deutsch | italiano | norske | português | român | русский | español | Švédsky | Türk
Email : ebiz@ctia.com.cn  
Copyright©1997 - CTIA E-biz Center All Rights Reserved