Carbure de tungstène bits de forage.

Forages bits de type CP

Forages bits de type CP Forages bits de type CP Forages bits de type CP

Carbure de tungstène forage bits de Type CP(Flat Button)

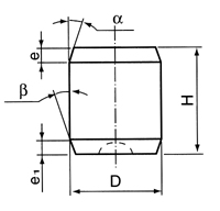
mm

Type
Dimension
Note
D
H
α
β
e1
e
CP0507
5.0
7.0
45o
18o
1.0
0.5
P-1
CO0707
7.0
P-3
CP0708
8.0
1.0
P-2
CP0806
8.0
6.0
1.2
0.5
P-6
CP0807
7.0
CP-9803
CP0815
15.0
/
15o
1.0
/
G90346
CP0907
9.0
7.0
/
18o
1.2
/
P-4
CP-97001
9.5
8.5
45o
1.5
0.5
G97102
CP1008
10.0
8.0
1.2
1.0
P-5
CP-77004
9.5
45o
0.5
0.5
G7163
CP-98008
10.0
1.5
2.0
CP-9805
CP1109
11.2
9.2
18o
1.2
1.0
G85277
CP-92001
12.0
10.0
1.5
1.5
G92297
CP212
12.3
12.3
15o
1.5
K87-004-3
CP-98009
15.0
10.0
45o
1.1
1.1
CP-9804

Related Links

Tungsten Carbide Rod
Material Safety Data Sheet of Tungsten Carbide
Material Safety Data Sheet of Tungsten Carbide (PDF)
Catalog of Tungsten Carbide Drilling Bits (PDF)

Language: | český | danske | Nederlands | English | française | Deutsch | italiano | norske | português | român | русский | español | Švédsky | Türk
Email : ebiz@ctia.com.cn  
Copyright©1997 - CTIA E-biz Center All Rights Reserved