Charbon découpage bits

Charbon découpage bits de type M19

Charbon découpage bits de type M19 Charbon découpage bits de type M19 Charbon découpage bits de type M19
Coal cutting bits type M19

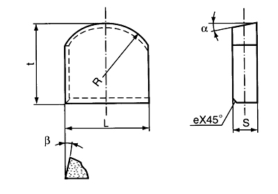
mm

Type
Dimension
Note
L
t
S
R
α
β
e
M1922
22.0
19.0
6.0
65.0
15o
5o
1.0
G90108
M1928
28.0
22.0
10o
10o
G81170

Related Links

Tungsten Carbide Rod
Material Safety Data Sheet of Tungsten Carbide
Material Safety Data Sheet of Tungsten Carbide (PDF)
Catalog of Tungsten Carbide Coal Cutting Bits (PDF)

Language: | český | danske | Nederlands | English | française | Deutsch | italiano | norske | português | român | русский | español | Švédsky | Türk
Email : ebiz@ctia.com.cn  
Copyright©1997 - CTIA E-biz Center All Rights Reserved