 
  
  
                
  Les Inserts indexables Type 4 H
  
Pour la fabrication interne & externe, le visage de la fin et outils chanfreinés externes interne &
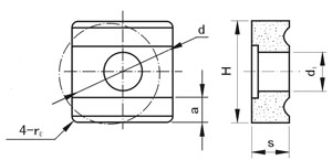
|   |   | 
| 
          Type
         | 
          Dimension(mm) | 
          Approx unit weight(g) | ||||||||
| 
          d
         | 
          s
         | 
          r
         | 
          a≈
         | 
          d1 | 
          H
         | 
          YG6
         | 
          YG8
         | 
          YT5
         | 
          YT14
         | |
| 41002H | 10.0 | 3.5 | 0.2 | 2.4 | 4.2 | 10.0 | 4.3 | 4.2 | 3.7 | 3.3 | 
| 41305H | 13.0 | 4.5 | 0.5 | 3.4 | 5.2 | 13.0 | 9.0 | 8.8 | 8.0 | 7.1 | 
| 41605H | 16.0 | 5.5 | 0.5 | 4.4 | 6.2 | 16.0 | 17.8 | 17.5 | 15.3 | 13.6 | 
| 41610H | 16.0 | 5.5 | 1.0 | 4.4 | 6.2 | 16.0 | 17.1 | 16.8 | 15.1 | 13.4 | 
| 41910H | 19.0 | 6.5 | 1.0 | 5.4 | 7.2 | 19.0 | 19.1 | 28.8 | 25.6 | 22.8 | 
| 42510H | 25.0 | 9.0 | 1.0 | 10.0 | 9.0 | 25.0 | ? | |||
Tungsten Carbide Rod
Material Safety Data Sheet of Tungsten Carbide
Material Safety Data Sheet of Tungsten Carbide (PDF)
Catalog of Tungsten Carbide Inserts (PDF)