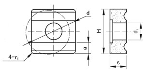
Insertos indexables tipo H 4
Para hacer interna & externa, cara final y herramientas biseladas externa interna &
|
|
|
Type
|
Dimension(mm)
|
Approx unit weight(g)
|
||||||||
|
d
|
s
|
r
|
a≈
|
d1
|
H
|
YG6
|
YG8
|
YT5
|
YT14
|
|
|
41002H
|
10.0
|
3.5
|
0.2
|
2.4
|
4.2
|
10.0
|
4.3
|
4.2
|
3.7
|
3.3
|
|
41305H
|
13.0
|
4.5
|
0.5
|
3.4
|
5.2
|
13.0
|
9.0
|
8.8
|
8.0
|
7.1
|
|
41605H
|
16.0
|
5.5
|
0.5
|
4.4
|
6.2
|
16.0
|
17.8
|
17.5
|
15.3
|
13.6
|
|
41610H
|
16.0
|
5.5
|
1.0
|
4.4
|
6.2
|
16.0
|
17.1
|
16.8
|
15.1
|
13.4
|
|
41910H
|
19.0
|
6.5
|
1.0
|
5.4
|
7.2
|
19.0
|
19.1
|
28.8
|
25.6
|
22.8
|
|
42510H
|
25.0
|
9.0
|
1.0
|
10.0
|
9.0
|
25.0
|
? | |||
Tungsten Carbide Rod
Material Safety Data Sheet of Tungsten Carbide
Material Safety Data Sheet of Tungsten Carbide (PDF)
Catalog of Tungsten Carbide Inserts (PDF)