Email:ebiz@ctia.com.cn
Related Links
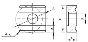
Hartmetall-Einsätze

Wendeplatten Typ 4H

Wendeplatten Typ 4H Wendeplatten Typ 4H Wendeplatten Typ 4H

Wendeplatten Typ 4H
Für interne & externe Stirnseite und interne & externe abgeschr?gten tools

?
Type
Dimension(mm)
Approx unit weight(g)
d
s
r
a≈
d1
H
YG6
YG8
YT5
YT14
41002H
10.0
3.5
0.2
2.4
4.2
10.0
4.3
4.2
3.7
3.3
41305H
13.0
4.5
0.5
3.4
5.2
13.0
9.0
8.8
8.0
7.1
41605H
16.0
5.5
0.5
4.4
6.2
16.0
17.8
17.5
15.3
13.6
41610H
16.0
5.5
1.0
4.4
6.2
16.0
17.1
16.8
15.1
13.4
41910H
19.0
6.5
1.0
5.4
7.2
19.0
19.1
28.8
25.6
22.8
42510H
25.0
9.0
1.0
10.0
9.0
25.0
?

Related Links

Tungsten Carbide Rod
Material Safety Data Sheet of Tungsten Carbide
Material Safety Data Sheet of Tungsten Carbide (PDF)
Catalog of Tungsten Carbide Inserts (PDF)

Language: | český | danske | Nederlands | English | française | Deutsch | italiano | norske | português | român | русский | español | Švédsky | Türk
Email : ebiz@ctia.com.cn  
Copyright©1997 - CTIA E-biz Center All Rights Reserved