Email:ebiz@ctia.com.cn
Related Links
Inserções de carboneto de tungsténio

Inserções indexáveis digite 4 H

Inserções indexáveis digite 4 H Inserções indexáveis digite 4 H Inserções indexáveis digite 4 H

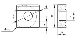
Inser??es indexáveis digite 4 H
Para tornar interno & externo, cara de final e ferramentas chanfrada externas interno &

?
Type
Dimension(mm)
Approx unit weight(g)
d
s
r
a≈
d1
H
YG6
YG8
YT5
YT14
41002H
10.0
3.5
0.2
2.4
4.2
10.0
4.3
4.2
3.7
3.3
41305H
13.0
4.5
0.5
3.4
5.2
13.0
9.0
8.8
8.0
7.1
41605H
16.0
5.5
0.5
4.4
6.2
16.0
17.8
17.5
15.3
13.6
41610H
16.0
5.5
1.0
4.4
6.2
16.0
17.1
16.8
15.1
13.4
41910H
19.0
6.5
1.0
5.4
7.2
19.0
19.1
28.8
25.6
22.8
42510H
25.0
9.0
1.0
10.0
9.0
25.0
?

Related Links

Tungsten Carbide Rod
Material Safety Data Sheet of Tungsten Carbide
Material Safety Data Sheet of Tungsten Carbide (PDF)
Catalog of Tungsten Carbide Inserts (PDF)

Language: | český | danske | Nederlands | English | française | Deutsch | italiano | norske | português | român | русский | español | Švédsky | Türk
Email : ebiz@ctia.com.cn  
Copyright©1997 - CTIA E-biz Center All Rights Reserved